Produktprofil
Den 5m AOC SFP optiske transceiver er designet til at give pålidelig og omkostningseffektiv forbindelse til kortdistancedatatransmissionsapplikationer med en maksimal transmissionsafstand på 5 meter. Med sin lille formfaktor og plug-and-olay-design er transceiveren en letanvendelig og effektiv løsning til behov for kort rækkevidde datatransmission.
Hos OPTICO er vi forpligtet til at give dig produkter og tjenester af højeste kvalitet. Vores avancerede produktionsfaciliteter og strenge kvalitetskontrolprocesser sikrer, at hver 5m AOC SFP optisk transceiver opfylder de højeste standarder for kvalitet og pålidelighed.
Produktets funktioner
Kompakt og let design
Hot-pluggable SFP-stik
Lavt strømforbrug: Strømtabet er mindre end 1W, hvilket gør den velegnet til brug i strømfølsomme miljøer.
Høje datahastigheder: Med en datahastighed på op til 10 Gps er 5m AOC SFP optisk transceiver i stand til at håndtere applikationer med høj båndbredde med lethed.
Længde: Det giver pålidelige og omkostningseffektive sammenkoblingsløsninger til kortdistancedatatransmission op til 5 meter.
Holdbarhed

Ansøgning
25GBASE-SR Ethernet
Servere, switche, lager- og værtskortadaptere
specifikationer
Parameter | Symbol | Enhed | Min | Typ | Maks | Noter |
Optisk senderegenskaber | ||||||
Bithastighed | BR | Gbps | 8.5 | 25.78125 | - | |
Center bølgelængdeområde | λc | nm | 820 | 850 | 880 | |
Gennemsnitlig starteffekt Tx_fra | Poff | dBm | - | - | -45 | |
Start Optical Power | P0 | dBm | -6.0 | 2.4 | 1 | |
Udryddelsesforhold | ER | dB | 2 | - | - | |
Spectral Width (RMS) | RMS | nm | - | - | 0.65 | |
Optisk modtageregenskaber | ||||||
Bithastighed | BR | Gbps | 8.5 | 25.78125 | ||
Bitfejlfrekvens | BER | - | - | E-12 | ||
Skadegrænse | DT | dBm | 3.4 | - | - | |
Overbelastningsindgang optisk strøm | PI | dBm | 2.4 | - | - | 2 |
Center bølgelængdeområde | λc | nm | 820 | - | 880 | |
Modtagerfølsomhed i gennemsnitseffekt | Sen | dBm | - | - | -5.2 | 3 |
Los Assert | LosA | dBm | -30 | - | - | |
Los De-Assert | LosD | dBm | - | - | -13 | |
Los hysterese | LosH | dB | 0.5 | |||
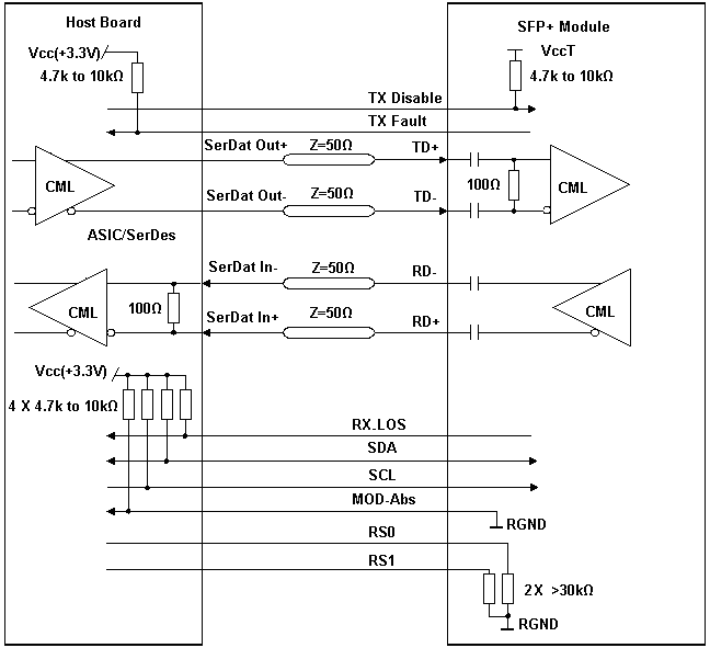
Anbefalet værtskort strømforsyningskredsløb

Anbefalet grænsefladekredsløb

Pin Arranger

Overvågningsspecifikation

Populære tags: 5m AOC SFP optisk transceiver, Kina, producenter, leverandører, fabrik, engros, tilpasset
Optiske egenskaber
Parameter | Symbol | Enhed | Min | Typ | Maks | Noter |
Optisk senderegenskaber | ||||||
Bithastighed | BR | Gbps | 8.5 | 25.78125 | - | |
Center bølgelængdeområde | λc | nm | 820 | 850 | 880 | |
Gennemsnitlig starteffekt Tx_fra | Poff | dBm | - | - | -45 | |
Start Optical Power | P0 | dBm | -6.0 | 2.4 | 1 | |
Udryddelsesforhold | ER | dB | 2 | - | - | |
Spectral Width (RMS) | RMS | nm | - | - | 0.65 | |
Optisk modtageregenskaber | ||||||
Bithastighed | BR | Gbps | 8.5 | 25.78125 | ||
Bitfejlfrekvens | BER | - | - | E-12 | ||
Skadegrænse | DT | dBm | 3.4 | - | - | |
Overbelastningsindgang optisk strøm | PI | dBm | 2.4 | - | - | 2 |
Center bølgelængdeområde | λc | nm | 820 | - | 880 | |
Modtagerfølsomhed i gennemsnitseffekt | Sen | dBm | - | - | -5.2 | 3 |
Los Assert | LosA | dBm | -30 | - | - | |
Los De-Assert | LosD | dBm | - | - | -13 | |
Los hysterese | LosH | dB | 0.5 | |||


